2022-11-24 14:35:27
項目概要
該工程為某市產業園區污水處理廠,總體設計處理規模50000m3/d。前期建設15000m3/d。該污水處理自控系統包含:信息層,控制層,設備層。

污水處理廠區

污水處理廠自控總覽圖
設計標準和規范
《給水排水儀表自動化控制工程施工及驗收規程》CECS 162-2004
《分散型控制系統工程設計規范》HG T 20573- 2012
《自動化儀表工程施工及質量驗收規范》GB50093- 2013
《可編程控制器系統工程設計規范》HG/ T20700-2014
《儀表系統接地設計規范》HG/ T20513- 2014
《計算機軟件質量保證計劃規范》GB/ 12504
《城鎮供水與污水處理化驗室技術規范》CJJ/T 182- 2014
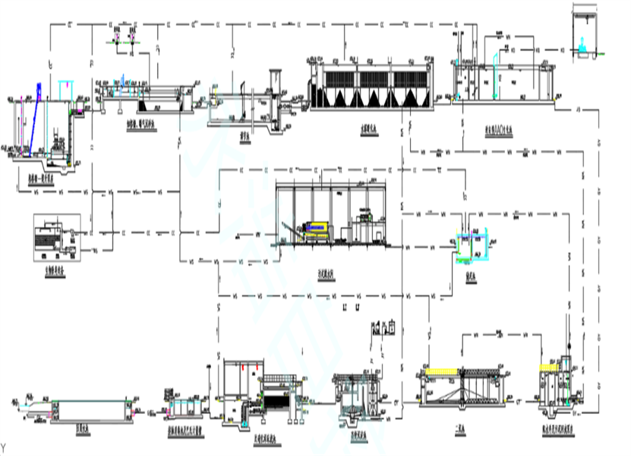
自控系統工藝圖

粗格柵提升泵房+細格柵、曝氣沉砂池+事故調節池+水解酸化池+改良型AAO池+二沉池+高效沉淀池+反硝化深床濾池+接觸消毒池及巴氏計量槽。
自控系統架構圖

信息層
信息層為污水處理廠各個使用者提供有效可靠的各類信息的接收、交換、傳輸、存儲、檢索和顯示的綜合處理,并提供決策支持能力與服務。監控服務器、數據服務器、工程師站計算機、軟件、工業網絡交換機 報表及報警打印機等組成監控主站(MOP)。監控系統位于綜合樓的中央控制室完成全廠工藝設備的運行狀態、工藝過程參數的采集和監視,遠程控制相關設備、設定運行參數,配合工藝運行過程實現污水處理的目的。實現報表打印,事故報警等功能。操作員兩套監控計算機進行主設備轉換時系統無數據丟失。

污泥脫水間界面圖

粗格柵提升泵房界面圖

水解酸化池界面圖

回用水池界面圖

加藥間界面圖
控制層
PLC1控制站

PLC1控制位于污泥脫水間。監控范圍為:污泥脫水間、調節池、儲泥池、3#除臭裝置等。

PLC2控制站
PLC2控制站位于進水在線監測間控制室,監控范圍為:粗格柵提升泵房、細格柵、曝氣沉砂池、水解酸化地、改良型AAO生化池、進水在線監測間、1#、2#除臭裝置、配水井及污泥泵房等。

PLC3控制站
PLC3控制站位于鼓風機房控制室,監控范圍為二沉池、高效沉淀池、反硝化深床濾池、接觸消毒池及巴氏計量槽、回用水池、出水在線監測間、鼓風機房、加氯加藥間等。
視頻監控
視頻監控系統包括前端設備、傳輸設備、處理/控制設備和記錄/顯示設備四部分。視頻采集設備的監控范圍應有效覆蓋被保護部位、區域或目標監視效果應滿足場景和目標特征識別的不同需求。系統的傳輸裝置從傳輸信道的衰耗,帶寬、 信噪比,誤碼率、時延、時延抖動等方面,確保視頻圖像信息和其他相關信息在前端采集設備到顯示設備,存儲設備等各設備之間的安全有效及時傳遞。
設備層
設備層控制功能
自控設備有三種控制模式,分別為:1現場手動:通過現場控制箱的按鈕實現設備的啟動/停止操作。2遠程手動:在值班室監控站單個控制現場設備。3自動控制:由PLC現場控制站負責設備操作的控制,按照工藝過程的檢測參數和狀態,通過預先設定的程序,實現設備的自動啟/停操作,不需要人工的介入。三種控制模式的優先級,從高到低依次是現場手動、遠程手動、自動控制。所有設備均可操作手自動操作有切換按鈕,當在用泵出現故障時自動投入備用泵。所有找警聯鎖值均可調,聯鎖動作前應設報警。

污水處理廠泵房
自控儀表
根據工藝生產、控制過程的需求設置過程參數檢儀表及水質分析儀表。由于過程檢測儀表特別是在線分析儀表要求反應速度、數據準確率特別苛刻,各工藝段檢測儀表應采用國外儀表,確保這些儀表能長期可靠穩定運行。儀表的選型除滿足被測量對象的性質和環境條件、測量范圍及精度、防護等級等要求外,還要適合當地的氣候特點?,F場儀表應按照防潮、防腐要求配備保護箱、遮陽罩不銹鋼支架等附件,并接地。本工程采用的水質分析儀表所選用的儀表是成套配備。傳感器與變送器之間信號連續,變送器輸出4 ~20mA標準信號,并且隔離。所有變送器有工程計量單位的刻度和LED數字顯示,傳感器一體體式或分體安裝。儀表所有部件有通用性和互換性。
部分儀表安裝現場





項目驗收和培訓現場



水廠自控系統 污水廠自控系統 智慧水務 工業自控系統咨詢13096360690